產品參數:
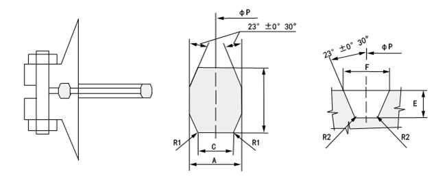
金屬環墊的適用公稱壓力為2。0MPA~42。0MPA,通常應用于高壓蒸氣,氣體,溶劑等裝置,如塔槽,高壓容器,高壓閥門等。最高使用壓力150MPA,溫度1000℃,對于八角型,R型,最高使用壓力:10000PSI,RX型BX型是15000PSI。 金屬環墊最早來源于美國,在20世紀20年代最早使用于鍋爐領域,后來用于人孔蓋,高壓釜其它窗口的密封,以后在石油生產和煉油工業中格外受到重視。隨著蒸汽動力裝置的溫度和壓力增加,金屬環墊的用途就越來越廣泛。 一般為純鐵(軟鐵),低碳鋼,F5,Cr5Mo,0Cr13,0Cr18Ni9,00Cr19Ni10等,其硬度應比法蘭材料低30~40HBS。 1. 軟鐵成分: C<0.05,Si<0.4,Mn<0.60,P<0.035,S<0.04 2.F5成分:表示ASTM技術規范A182—72所要求的化學成分,4-6% Cr,0.5% Mo, G-307—1 八角型墊片 G-307—2 橢圓型墊片 G-307—3 RX型墊片 G-307—4 BX型墊片
墊片安裝在法蘭面的梯型環槽內,當擰緊連接螺栓時,受軸向壓縮與上下梯型槽帖緊,產生塑性變形,形成一環狀密封帶,建立初始密封。升壓后,在介質壓力的作用下,使環墊徑向擴張。墊片與梯形槽的斜面更加帖緊,產生自緊作用。但是,介質壓力的升高同樣會使法蘭和連接螺栓變形,造成成密封面間的相對分離,墊片密封比相對下降,因而,環墊可以認為是半自緊密封。

NPS in/DN | PN2.0 (Class150) | PN5.0(Class300) PN11.0(Class600) | PN15.0(Class900) | PN26.0(Class1500) | PN42.0(Class2500) | |
NPS in | DN | 環號 | 環號 | 環號 | 環號 | 環號 |
1/2 | 15 | - | R11 | R12 | R12 | R13 |
3/4 | 20 | - | R13 | R14 | R14 | R16 |
1 | 25 | R15 | R16 | R16 | R16 | R18 |
1 1/4 | 32 | R17 | R18 | R18 | R18 | R21 |
1 1/2 | 40 | R19 | R20 | R20 | R20 | R23 |
2 | 50 | R22 | R23 | R24 | R24 | R26 |
2 1/2 | 65 | R25 | R26 | R27 | R27 | R28 |
3 | 80 | R29 | R31 | R31 | R35 | R32 |
4 | 100 | R36 | R37 | R37 | R39 | R38 |
5 | 125 | R40 | R41 | R41 | R44 | R42 |
6 | 150 | R43 | R45 | R45 | R46 | R47 |
8 | 200 | R48 | R49 | R49 | R50 | R51 |
10 | 250 | R52 | R53 | R53 | R54 | R55 |
12 | 300 | R56 | R57 | R57 | R58 | R60 |
14 | 350 | R59 | R61 | R62 | R63 | - |
16 | 400 | R64 | R65 | R66 | R67 | - |
18 | 450 | R68 | R69 | R70 | R71 | - |
20 | 500 | R72 | R73 | R74 | R75 | - |
22 | 550 | - | R81 | - | - | - |
24 | 600 | R76 | R77 | R78 | R79 | - |
26 | 650 | - | R93 | R100 | - | - |
28 | 700 | - | R94 | R101 | - | - |
30 | 750 | - | R95 | R102 | - | - |
32 | 800 | - | R96 | R103 | - | - |
34 | 850 | - | R97 | R104 | - | - |
36 | 900 | - | R98 | R105 | - | - |
獲取報價